Sepet0öğeler
Merhaba MisafirFor better experience login
Giriş

Açıklama

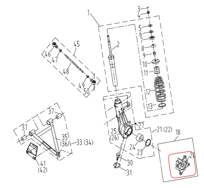
F320 Teker Flanş – Yüksek Performanslı Güç Çözümü

F320 Teker Flanş, güçlü performans ve uzun kullanım ömrü arayan kullanıcılar için geliştirilmiştir.
Yüksek kaliteli üretim standartlarına sahip olan bu ürün, hem bireysel hem profesyonel kullanımlar için ideal bir çözümdür.

Öne Çıkan Özellikler

  • Yüksek enerji verimliliği
  • Dayanıklı ve uzun ömürlü yapı
  • Güçlü performans
  • Kolay montaj ve kullanım
  • Güvenli çalışma sistemi

F320 Teker Flanş, stabil güç aktarımı sağlayarak cihazlarınızın ve sistemlerinizin sorunsuz çalışmasına yardımcı olur.
Zorlu kullanım koşullarında dahi performans kaybı yaşamadan güvenle kullanabilirsiniz.

Kaliteli malzeme yapısı sayesinde uzun vadede tasarruf sağlar.
Hemen sipariş verin, güvenilir güç çözümüne sahip olun.

    "]