Sepet0öğeler
Merhaba MisafirFor better experience login
Giriş

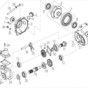
F320 4X4 4X2 VİTES DEĞİŞTİRME MOTORU